¿QUÉ SON FAMILIAS LÓGICAS?
Las familias Lógicas son un grupo de dispositivos lógicos integrados (compuertas, flip flops, decodificadores, contadores, registros, etc.) que comparten una tecnología común de fabricación y son eléctricamente compatibles entre sí, es decir, tienen estandarizadas sus características de entrada y de salida. Como resultado de esta estandarización, la interconexión entre dispositivos lógicos de una misma familia es sencilla y directa, es decir no requiere de etapas adicionales de acoplamiento.
Características:
-
Mide la rapidez de respuesta de las salidas de un Velocidad circuito digital a cualquier cambio en sus entradas.
-
El consumo de potencia mide la cantidad de corriente o Potencia de potencia que consume un circuito digital en operación.
-
La confiablidad mide el período útil de servicio de un Confiabilidad circuito digital.
-
La inmunidad al ruido mide la sensibilidad de un Ruido digital al ruido electromagnético ambiental.
Familia Lógica TTL
TTL es la sigla en inglés de transistor-transistor logic, es decir, «lógica transistor a transistor». Es una familia lógica o lo que es lo mismo, una tecnología de construcción de circuitos electrónicos digitales.
La tecnología TTL es de tipo bipolar, se basa en los transistores bipolares (NPN, PNP) multiemisores, aunque la tecnología sea bastante antigua, se puede decir que es la más popular (introducida por Texas Instruments en 1964).
Los circuitos integrados de la familia lógica TTL, tienen una designación de pieza formada por un número de cuatro a cinco dígitos. Con la incorporación de otros tipos de construcciones de dispositivos, se añadieron letras al centro de la numeración, para recordar al usuario que no se está utilizando el chip básico TTL. Los números de dispositivos que empiezan con un prefijo corresponden a su serie, seguida por otro número que identifica el chip individual. 7400 es la designación TTL. Esta familia es la primera que surge y aún se utiliza en aplicaciones que requieren dispositivos SSI y MSI. El circuito lógico TTL básico es la compuerta NAND
Sub-familias
-
TTL estándar.
-
TTL de baja potencia (L).
-
TTL Schottky de baja potencia (LS).
-
TTL Schottky (S).
-
TTL Schottky avanzada de baja potencia (ALS).
La familia TTL utiliza dos parámetros para determinar cuántos dispositivos TTL se pueden conectar entre sí. Estos parámetros se denominan abanico de entrada.
-
El Fan-in
mide el efecto de carga que presenta una entrada a una salida. Cada entrada de un circuito TTL estándar se comporta como una fuente de corriente capaz de suministrar 1.8 m.A. A este valor de corriente se le asigna un fan-in de 1.
-
El Fan-out
mide la capacidad de una salida de manejar una o más entradas. Cada salida de un circuito TTL estándar se comporta como un disparador de corriente capaz de aceptar hasta 18 mA., es decir hasta manejar 10 entradas TTL estándar. Por lo tanto el Fan-out de una salida TTL es de 10.
Para la familia TTL, el voltaje nominal para el valor alto es de 3.3V mientras que el del valor bajo es 0.5V. Las entradas y salidas de las compuertas presentan señales con valores predefinidos como alto y bajo a partir de los voltajes nominales. Sin embargo existen muchas formas en que señales no deseadas pueden ingresar al circuito o desarrollarse dentro de él. Este tipo de señales no deseadas es llamado Ruido. El ruido puede ser producido por una gran cantidad de mecanismos en el medio ambiente o dentro del circuito, desde la radiación atmosférica o los 60 Hz de la línea eléctrica hasta el ruido térmico en los circuitos integrados.
Cuando las señales deseadas son acompañadas por ruido, las señales deseadas son alteradas. Al momento de hacer un diseño debe considerarse que el circuito deberá funcionar correctamente aun con la presencia de ruido previsto hasta un cierto nivel. Esto es, el sistema deberá presentar inmunidad al ruido. Una medida de la cantidad de ruido que un dispositivo puede tolerar antes de presentar un comportamiento erróneo se conoce como Margen de Ruido. Es importante considerar que mientras los voltajes de entrada y salida se mantengan dentro del Margen de Ruido, el sistema deberá funcionar adecuadamente.
El retraso en una compuerta de la familia TTL depende básicamente del hecho de que los transistores que forman una compuerta requieren un tiempo mayor a cero para cambiar su estado entre corte y saturación y viceversa.
|
Velocidad aproximada |
Subfamilia TTL |
|
1.5 ns |
Schottky avanzada |
|
3 ns |
Schottky |
|
4 ns |
Schottky avanzada de baja potencia |
|
10 ns |
Schottky de baja potencia |
|
10 ns |
estándar |
|
33 ns |
baja potencia |
Velocidades de las distintas subfamilias TTL
|
Consumo de potencia por puerta |
Subfamilia TTL |
|
1 mW |
baja potencia |
|
1 mW |
Schottky avanzada de baja potencia |
|
2 mW |
Schottky de baja potencia |
|
7 mW |
Schottky avanzada |
|
10 mW |
estándar |
|
20 mW |
Schottky |
Consumo de potencia de las subfamilias TTL
Configuraciones de salida TTL
Independientemente de la función lógica implementada, la parte de salida puede tener diferentes configuraciones de acuerdo a la aplicación en la que se quiera integrar:
Configuraciones
-
Por resistencia de colector
-
Totem – Pole
-
Colector abierto
-
Triestado
Tipos de salida:
Salida TTL por resistencia de colector
La resistencia de polarización R2 del transistor T2 va integrada en el propio circuito integrado, provocando que cuando éste conduzca (VCE=0) VRC= VCC. IC= VCC/RC, provocando con ello una disipación de potencia en dicha resistencia, lo que provoca un calentamiento que hay que disipar y que impide un alto nivel de integración (nivel de integración = número de puertas lógicas dentro del circuito integrado).

Totem – Pole y Open Colector
-
La salida Totem Pole consiste en dos transistores que se activan de forma excluyente. No se pueden conectar dos o más salidas de este tipo a un mismo punto.
-
La salida en Colector abierto deja el colector del transistor conectado directamente al terminal de salida, por lo que será necesario conectar una resistencia externa de colector (pull – up). Permite conectar varias salidas a un mismo punto.
Mediante el transistor T2 se consigue que cuando un transistor conduce (T4) el otro (T3) esté abierto.
De esta manera se consigue obtener un «1» de salida pero con la ventaja de que aunque pasa corriente por T4 como su caída de tensión es en teoría 0V su disipación de potencia es 0 mW y la potencia disipada por R4 es baja ya que en la otra posición T2 consigue que cuando T3 conduzca, T4 está abierto, rovocando que la intensidad por T4 = 0 mA y por lo tanto la potencia disipada sea 0 mW.
Como T3 conduce su VCE=0 y por lo tanto la potencia disipada Como se puede apreciar en los dos casos la potencia disipada es muy baja, permitiendo ello altos niveles de integración.

Salida colector abierto en compuertas de tecnología en TTL
La configuración es exactamente igual a la de «Resistencia de colector», solamente que dicha resistencia no está integrada en el circuito si no que es la propia carga.
La principal utilización es el gobierno directo de cargas que precisan unas tensiones o corrientes superiores a los niveles de la familia.
Por otro lado permiten la realización de puertas AND por conexión con solo unir en paralelo las salidas de varios circuitos integrados.

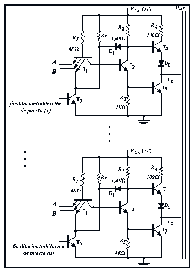
Salida triestado
La configuración es similar a la Totem-pole, pero se le añade un transistor T5 que es gobernado por la patilla de inhibición, de forma que introduciendo un «1» se le hace conducir haciendo que su VCE=0.
Esto provoca que T1 conduzca y provoque el corte de T2, que a su vez provoca el corte de T3. Al mismo tiempo la conducción de T5 provoca el corte de T4.
La principal aplicación, como se puede apreciar en la figura, es la construcción de buses de comunicación en los que cada puerta deposita la información de manera aleatoria.

Familia Lógica CMOS
CMOS (del inglés Complementary Metal Oxide Semiconductor, «Metal Óxido Semiconductor Complementario»). Su principal característica consiste en la utilización conjunta de transistores de tipo PMOS (polaridad positiva) y tipo NMOS (polaridad negativa) configurados de tal forma que, en estado de reposo, el consumo de energía es únicamente el debido a las corrientes parásitas.
En la actualidad, la mayoría de los circuitos integrados que se fabrican utilizan la tecnología CMOS. Esto incluye microprocesadores, memorias, DSPs y muchos otros tipos de chips digitales.
El primer fabricante que produjo lógica CMOS, denominó a estos circuitos integrados como la serie 4000 (4000, 4001, etc.) y este sistema de numeración fue adoptado por otros fabricantes. Algunos fabricantes han producido una amplia gama de componentes CMOS siguiendo las funciones y asignación de pines de las familias TTL 74XX. Éstos reciben números de serie como 74CXX, 74HCXX, 74HCTXX, 74ACXX o 74ACTXX, en los cuales la «C» significa CMOS, la «A» indica que son dispositivos avanzados y la «T» indica que estos dispositivos son compatibles con los de las familias TTL (trabajan con los niveles lógicos y de alimentación TTL)
Subfamilias CMOS
|
Familia |
Rango de tensión |
Consumo potencia |
Velocidad |
|
estándar (4000) |
3 – 15 V |
10 mW |
20 a 300 ns |
|
serie 74C00 |
3 – 15 V |
10 mW |
20 a 300 ns |
|
serie 74HC00 |
3 – 15 V |
10 mW |
8 a 12 ns |
Las series 4000 y 74C funcionan con valores de VDD, que van de 3 a 15 V, por lo que la regulación del voltaje no es un aspecto crítico. Las series 74HC y 74RCT funcionan con un menor margen de 2 a 6 V.
Cuando se emplean dispositivos CMOS y TTL, juntos, es usual que el voltaje de alimentación sea de 5 V para que una sola fuente de alimentación de 5 V proporcione VDD para los dispositivos CMOS y VCC para los TTL. Si los dispositivos CMOS funcionan con un voltaje superior a 5V para trabajar junto con TTL se deben de tomar medidas especiales.
La tecnología CMOS no requiere entregar corriente a las entradas de la siguiente compuerta por lo que CMOS tiene un Fan-Out ilimitado. Sin embargo, el Fan-Out en la tecnología CMOS tiene un impacto importante en el retraso que ocurre en las compuertas.
Ventajas:
-
Muy baja disipación de potencia
-
Alta inmunidad contra el ruido
-
Elevado Fan-out
-
Integración en mediana y gran escala de funciones complejas y subsistemas lógicos
-
Compatibilidad con las familias lógicas más utilizadas
Conclusiones
TTL (lógica de transistor a transistor)
Ci que internamente están formados por un arreglo de transistores bipolares NPL PNP forman lógica transistor transistor
Alimentación de 5v +- 5% tolerancia voltajes continuos Vcc y tierra GND
L = nivel Bajo representado entre 0.2 y 0.8 V lo representa como 0 lógico
H = nivel Alto representado entre 2.4 y 5 V lo representa como 1 lógico
Así se representan en las escalas de integración SSI y MSI
Utilizadas como compuertas, circuitos monoestables memorias y circuitos asíncronos.
Series 74, 74H de alta velocidad, 74S Diodo especial mayor performance, 74LS baja potencia, 74AS avanzado, 74LS avanzado de baja potencia
CMOS (semiconductor metal oxido complementario)
Tipo de tecnología complementaria que usa transistores que no dependen mucho del voltaje de bajo consumo y alta velocidad
Series 4000 RCA, 14000 Motorola además compatibles con TTL 74C 74HC alta velocidad 10 veces más rápido que los TTL 74HCT Alta velocidad parecida a la HC
Alimentación de 3 a 15V para series 4000 y 74c
2 a 6V para serie 74HC y 74HCT VDB/VSS tierra
Consumen menos potencia 2.5 nW a 5V y 10 nW a 10V en corriente continua
Potencia aumenta en proporción a la frecuencia se igualan a la potencia emanada por los TTL
Entradas son muy sensibles con las cargas electroestáticas y sensibles al ruido